|
1000米四键遥控模块
——价格:35元/个
手持式微型无线编码遥控模块的使用距离一般为50~100m,对某些需要四五百米甚至更远操作距离的应用场合,这类遥控模块便显得无能为力。
这里介绍一种800米四通道遥控接收模块,它的特点是:发射器内部采用了声表面谐振稳频技术,可靠性达到工业级水准,空旷地实测有效距离可达1000m,是目前性能较好,距离较远的遥控产品。


发射器体积体积32x17x85毫米,带有23厘米长的金属拉杆天线,使用A27电池供电,背后有活动的电池舱盖,可以方便地更换电池。

发射机内部采用进口声表谐振器稳频,频率一致性非常好,稳定度极高,峰值发射功率0.25W,工作频率315MHZ频率稳定度优于10-5,使用中无需调整频点,特别适合多发一收等无线电遥控系统使用,而目前市场上的无线电遥控模块一般仍采用LC振荡器,稳定度及一致性较差,即使采用高品质微调电容,温度变化及震动也很难保证已调试好的频点不会发生偏移,造成发射距离缩短。

上图为发射器外形,面板上有A、B、C、D四位操纵按键及一个发射指示灯。因为要满足远距离遥控,所以发射机的发射功率比较大,当然发射电流也比普通的遥控模块大许多,市场上常见的200米遥控模块的发射电流一般在10毫安左右,而这种800米发射机的发射电流,当天线不拉出时约20毫安,遥控距离在300米左右,当天线全部拉出时发射电流增大到60毫安,遥控距离在开阔地大于800米。
无线遥控接收模块
——价格:15元/个
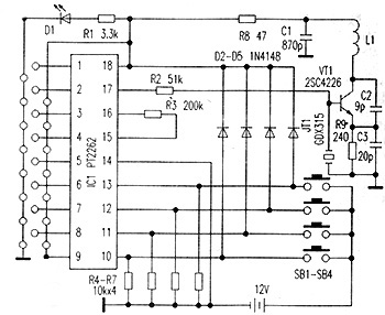
接收板:频率315MHZ/振荡电阻200K/编解码芯片均兼容PT2262/2272系列
接收模块从工作方式分,可以分成超外差接收板和超再生接收板。超再生式接收机具有电路简单、性能适中、成本低廉的优点所以在实际应用中被广泛采用。

这是超再生接收机等效电路图
接收模块采用SMD贴片工艺制造生产,为超再生接收方式,它内含放大整形及解码电路,使用极为方便。
1.天线输入端有选频电路,而不依赖1/4波长天线的选频作用,控制距离较近时可以剪短甚至去掉外接天线
2.接收电路自身辐射极小,加上电路模块背面网状接地铜箔的屏蔽作用,可以减少自身振荡的泄漏和外界干扰信号的侵入。
3.接收机采用高精度带骨架的铜芯电感将频率调整到315M后封固,这与采用可调电容调整接收频率的电路相比,温度、湿
度稳定性及抗机械振动性能都有极大改善。可调电容调整精度较低,只有3/4圈的调整范围,而可调电感可以做到多圈调整。可调电容调整完毕后无法封固,因为无论导体还是绝缘体,各种介质的靠近或侵入都会使电容的容量发生变化,进而影响接收频率。另外未经封固的可调电容在受到振动时定片和动片之间发生位移;温度变化时热胀冷缩会使定片和动片间距离改变;湿度变化因介质变化改变容量;长期工作在潮湿环境中还会因定片和动片的氧化改变容量,这些都会严重影响接收频率的稳定性,而采用可调电感就可解决这些问题,因为电感可以在调整完毕后进行封固,绝缘体封固剂不会使电感量发生变化,而且由于采用贴片工艺,所以即使强烈震动也不必担心接收频点漂移,接收电路的接收带宽约500KHz,产品出厂时已经将中心频率调整在315MHz,接收芯片上的微调电感约有5MHz频率的可调范围,使用时不要轻易变动,以免影响性能。

超再生接收模块有七个引出端,分别为VCC、D1、D2、D3、D4、VT、GND,其中VCC为5V供电端,GND为接地端,
VT端为解码有效输出端,D1、D2、D2、D4是解码芯片PT2272(SC2272)集成电路的输出脚,为四位数据锁存输出端,有信号时能输出5V左右的高电平,驱动电流约2mA,与发射器上的四为个按键一一相对应。

下面的本站增强型51实验板和无线遥控发射接收模块的应用实例照片

图左为无线接收模块,频率非常稳定,性能优越,站长试验时没出过问题。图中红色板为本站的增强型51试验板,功能强大,使用方便。图右边的是手持式发射机,酷吧:)

将无线接收模块的VCC、GND以及各数据端分别与增强型51实验板上的VCC、GND及LED指示引脚相连后。从上图我们可以看到从左到右,第三个LED不亮,那是因为站长按了遥控器上的相应键,因此,相应的数据端输出高电平,板上发光管低电平时点亮。如果按遥控器上其它按键的效果是,相应的数据端输出高电平,另外三个输出端输出低电平。VT端只要遥控器按任何按键,都会出现脉冲信号。手挂式遥控器有200米和800米两种,都适用于增强型51实验板。当然,如果你把数据端插在增强型51实验板的继电器接口引脚上,则按遥控器键,触发器会执行闭合和释放的动作,凭耳朵可以听得出“嗒嗒”的声响。如果通过单片机来编用程序,那可以控制的内容只要你想得到的,再用程序去实现就OK了,非常灵活,发挥你的想象吧:)


 |